Home / Products / Elevator Tension Device

Elevator Tension Device Parts Suppliers

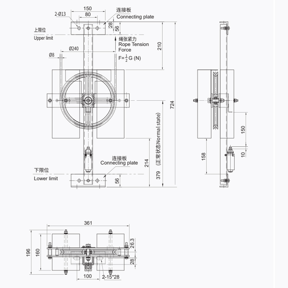
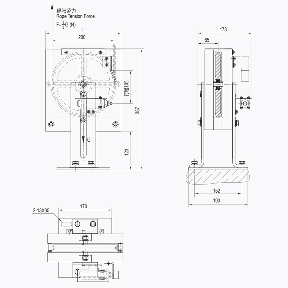
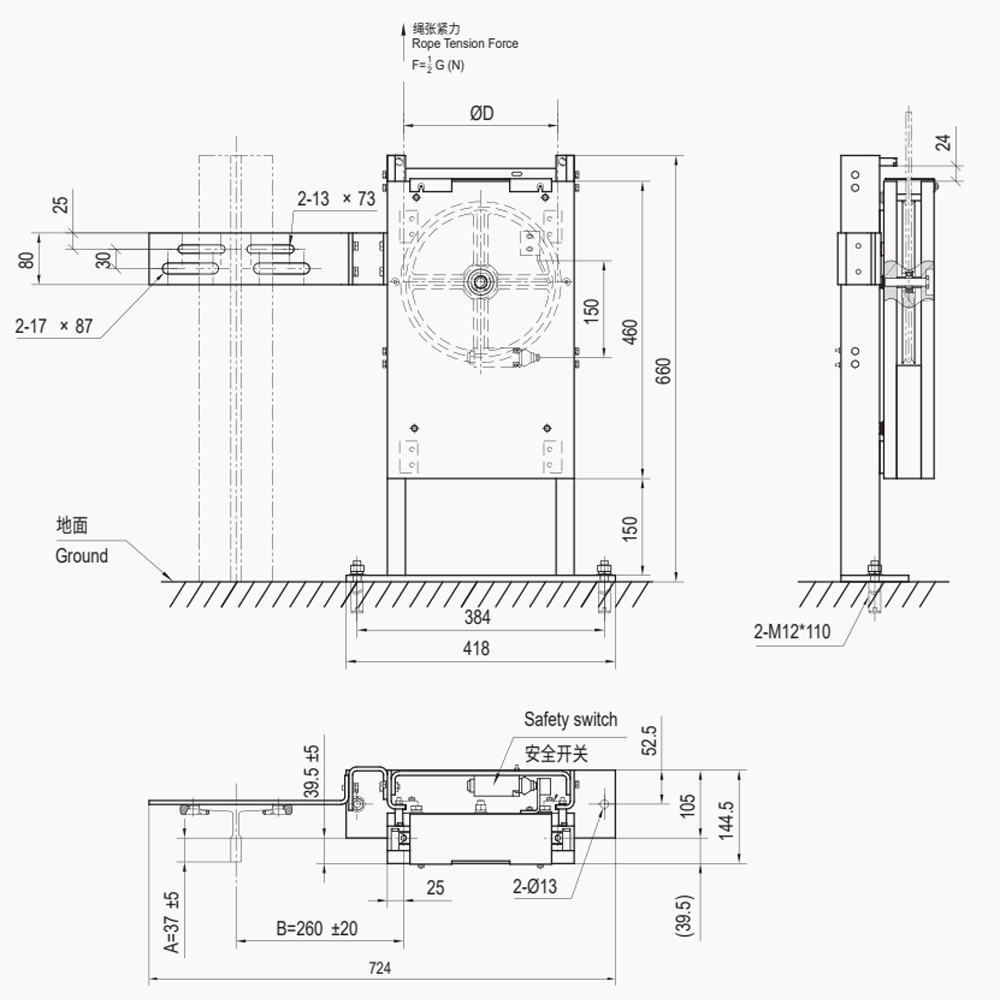
The elevator tension device is a key component used to maintain constant tension in the speed governor wire rope or compensation chain, ensuring speed detection accuracy and system response reliability.

About Us
Shanghai Liftech Elevator Accessories Co., Ltd.
Founded in 2004, Shanghai Liftech Elevator Accessories Co., Ltd. is a specialized enterprise dedicated to the R&D, manufacturing, testing, and sales of elevator safety components. With over two decades of sustained development, Liftech has established itself as a leading manufacturer in China's elevator safety sector, providing high-quality products and solutions to a wide range of major elevator brands and engineering clients across domestic and international markets. As Elevator Tension Device Parts Suppliers and China Rope Tension Measuring Device Factory, For over 20 years, LIFTECH (est. 2004) has been a trusted force in the R&D, manufacturing, and full lifecycle support of premium elevator safety components.
Certificate Of Honor
  • Utility Model Patent Certificate
  • Utility Model Patent Certificate
  • Utility Model Patent Certificate
  • Utility Model Patent Certificate
  • Utility Model Patent Certificate
  • Utility Model Patent Certificate
  • Utility Model Patent Certificate
<
News
Message Feedback
Elevator Tension Device Industry knowledge

What Core Functions Determine the Reliability and Safety Performance of Elevator Tension Device Parts?

Elevator tension device parts are essential components within the traction and safety system of modern elevators. They maintain stable rope tension, support smooth operation, reduce mechanical wear, and enhance overall system safety. As foundational industry components, their structural design, material performance, mechanical durability, and system compatibility collectively influence the elevator’s stability and service life.

Within this field, Shanghai Liftech Elevator Accessories Co., Ltd. has established a strong presence through ongoing R&D and strict quality management. The company adheres to ISO9001 standards and utilizes a full-process testing platform for speed, tension, and load assessment. With patented achievements in safety linkage mechanisms and buffer structures, the company demonstrates robust innovation capabilities, reflecting the growing importance of elevator tension device parts in industry safety optimization.

Functional Positioning of Elevator Tension Device Parts

Elevator tensioning assemblies are designed to maintain stable tension in steel wire ropes or compensation chains, ensuring proper operational conditions throughout the elevator’s lifecycle. Their core functions include:

  1. Maintaining Constant Rope Tension
    Over time, steel ropes may stretch or relax due to load variations. Tension parts apply calibrated force to ensure stability, preventing slippage and vibration.

  2. Enhancing System Smoothness
    Balanced mechanical forces among the traction machine, guide system, and car minimize vibration, optimize starting performance, and improve passenger comfort.

  3. Extending System Lifespan
    Stable tension reduces wear on ropes, sheaves, and guide components, extending service life and reducing maintenance frequency.

  4. Supporting Safety Mechanisms
    Many emergency functions—including rope offset detection and force monitoring—depend on reliable tension device operation, making it a key element of the safety chain.

Main Components and Structural Features of Elevator Tension Device Parts

A tension device is composed of multiple mechanical modules working together to provide balanced tension. Typical elements include:

1. Tension Sheave

Guides the rope and transfers tension through its groove design. Key factors include groove angle, hardness, surface treatment, and structural strength.

2. Spring-Based or Weight-Based Tensioning Mechanism

Applies the primary force needed to maintain tension and compensates automatically for rope length changes.

  • Springs: suited for lighter-load applications
  • Weights: ideal for high-speed or high-rise elevator systems

3. Adjustment Assembly

Includes threaded rods, linkage components, and limit devices, enabling precise initial tension settings and fine structural adjustments.

4. Mounting Base

Supports mechanical loads and ensures accurate alignment. Typically made with high-strength, corrosion-resistant materials with vibration-damping capability.

5. Monitoring Components

Tension sensors and displacement switches provide real-time feedback, forming the foundation of predictive maintenance and intelligent monitoring systems.

Key Technical Parameters for Elevator Tension Device Parts

The table below summarizes common industry performance criteria for evaluating tensioning components:

Technical Parameter Description Industry Focus
Tension Stability Fluctuation range of applied tension Lower variation ensures smoother operation
Groove Wear Resistance Durability of sheave surface Influences rope lifespan and noise level
Spring/Weight Force Effective tension applied Must match elevator model requirements
Structural Strength Fatigue and impact resistance Essential for long-term safety
Installation Compatibility Adaptability to various systems Reduces maintenance difficulty
Monitoring Accuracy Precision of sensors and switches Supports predictive maintenance

Influence of Materials and Manufacturing Processes on Safety

Material selection and production processes directly determine the performance and reliability of elevator tension device parts:

  1. High-Strength Alloy Steel for Load-Bearing Components
    Ensures durability and fatigue resistance for sheaves and mounting structures.

  2. Surface Hardening and Wear-Resistant Treatments
    Processes like heat treatment, nitriding, or specialized coating greatly enhance groove longevity and corrosion resistance.

  3. Precision Machining for Structural Consistency
    High-precision finishing improves alignment, reduces operating noise, and ensures consistent performance.

  4. Integration of Smart Monitoring Technologies
    With the trend toward intelligent elevators, tension device parts increasingly incorporate sensors to provide real-time operational data.

Application Fit Across Different Elevator Types

Tension device components vary depending on application requirements:

1. Passenger Elevators

Focus on smoothness, low noise, and high wear resistance.

2. Freight & Industrial Elevators

Require high strength, strong impact resistance, and durable structures.

3. High-Speed and High-Rise Elevators

Prioritize precision tension control, dynamic balance, and advanced monitoring capabilities.

4. Modernization of Aging Elevators

Demand high compatibility, modular structures, and adjustable configurations to fit legacy systems.

How Strong Quality Control Enhances Component Reliability

In the manufacturing of elevator tension device parts, quality systems determine consistency and safety.
Shanghai Liftech Elevator Accessories Co., Ltd. delivers strong advantages in this area:

  • ISO9001-Compliant Quality System
    Covering design, production, inspection, packaging, and delivery.

  • Comprehensive Testing Platform
    Includes speed, tension, and load testing for full-process monitoring.

  • Innovative Patented Technologies
    Achievements in safety linkage and buffer structures reinforce product safety performance.

  • Integrated R&D Capability
    Enables optimized material selection, structural design, and application-specific configurations.

Conclusion

Elevator tension device parts play an irreplaceable role in the stability, safety, and longevity of elevator systems. Through optimized structural design, advanced materials, precision manufacturing, and strict quality assurance, these components ensure reliable operation across diverse application scenarios. As industry requirements evolve toward higher safety and intelligent monitoring, the performance standards for tension device parts will continue to rise.

With its strong R&D capability, complete testing system, and continuous innovation, Shanghai Liftech Elevator Accessories Co., Ltd. remains committed to advancing the technology and safety performance of elevator tension device parts in the global market.

Your Trusted Partner in Elevator Components
More than Precision, Safety, and Reliability. We are the guardians of modern vertical mobility.